Automate programabile
Mini-automat programabil (Relee inteligente)
Terminale programabile ( HMI-uri )
Inregistratoare
Solutii industriale Ethernet
Afisoare digitale
Convertizoare de frecventa
Sisteme servo ( Servo-Drivere si Servo-Motoare )
Soft Startere
Encodere
Power meter
Regulatoare de temperatura si proces
Controler PID avansat - Blue Line
Counter Timer Tahometru
Dispozitive comunicatie
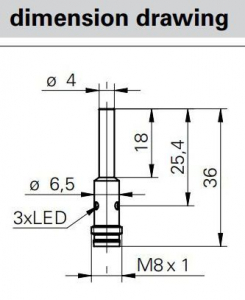
Senzori industriali
Butoane Ex
Lampi EXIT Ex
Surse de alimentare
Contactoare
Butoane si accesorii
Lampa multi LED
Intrerupatoare de protectie pentru motor
Direct-On-Line Starters
Cam Switches
Cleme sir
Intrerupator general
Limitatoare de siguranta
Limitatori tip pedala
Standard Heavy Duty
Dispozitiv de detectare a defectelor de arc electric AFDD+
Limitator de supratensiuni
Separator-intrerupator
Sigurante automate
Accesorii
Relee interfata
Relee plug in - 1 Pol
Relee plug in - 2 Poli
Relee plug in - 3 Poli
Relee plug in - 4 Poli
Accesorii sisteme de cantarire
Platforme de cantarire
Data de livrare: Vineri, 08.05.2026
Livrare rapidă
Modalități variate de plată
Consultanță profesională
Producători de renume
Prețuri atractive
Momentan, informatiile despre siguranta produsului nu sunt disponibile.
Momentan, informatiile despre producator nu sunt disponibile.
Momentan, informatiile despre persoana responsabila nu sunt disponibile.
Ultimele produse vizualizate
Newsletter Nu rata ofertele si promotiile noastre
Compara produse
Trebuie sa mai adaugi cel putin un produs pentru a compara produse.
A fost adaugat la favorite!
A fost sters din favorite!